1990 Mazda 626 Wiring Diagram - 1990 Mazda 626 Wiring Diagram Wiring Diagram Wave View Wave View Vaiatempo It : System wiring diagrams starting circuit. . • mazda 626 mx 6 and ford probe 1993 2001 automotive repair manual haynes repair manual. Mazda 626 service and repair manuals. 1990 mazda 626 for x. Mazda 626 1990 wiring diagrams. The first mazda 626 appeared in 1979 in the us market.
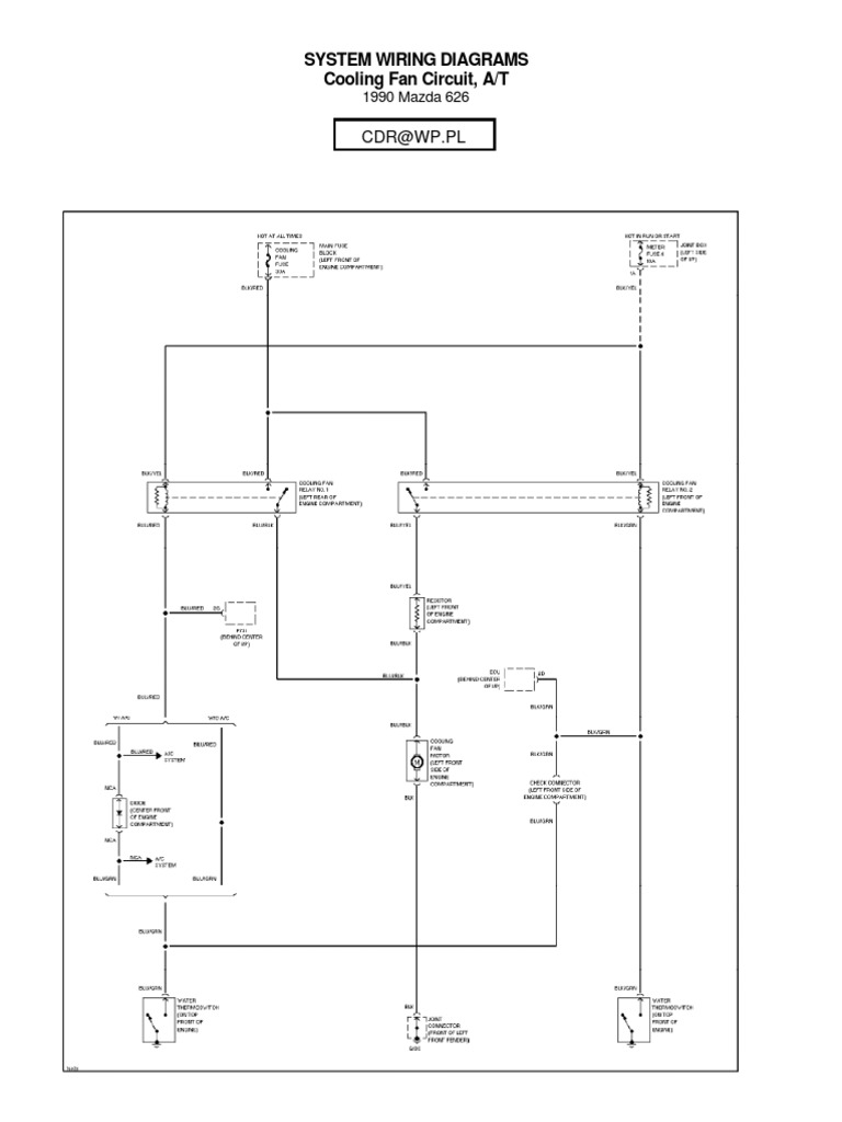
Page 4 the way to view a wiring diagram this wiring diagram is made up of circuit diagrams, connector diagrams, location diagrams, and harness diagrams. Dtc the mazda 626 workshop manuals contains detailed information on the diagnosis, repair and adjustment of elements of the gasoline engine management system, instructions. The first mazda 626 appeared in 1979 in the us market. Mazda 626 1990 wiring diagrams. System wiring diagrams cooling fan circuit, a/t 1990 mazda 626 for x copyright © 1998 mitchell repair information company, llc cdr@wp.pl tuesday, july 27, 2004 11:13pm system wiring diagrams starting circuit 1990 mazda 626 for x copyright © 1998 mitchell repair.
How To Mazda 626 Stereo Wiring Diagram My Pro Street from my.prostreetonline.com Mazda 626 1995 wiring diagram.pdf. Mazda 626 workshop, repair and owners manuals for all years and models. • mazda 626 mx 6 and ford probe 1993 2001 automotive repair manual haynes repair manual. Circuit diagrams help to quickly detect faults in the electrical system and facilitate the installation of additional equipment. Dtc the mazda 626 workshop manuals contains detailed information on the diagnosis, repair and adjustment of elements of the gasoline engine management system, instructions. Wiring diagrams mazda by year. Some mazda 626 wiring diagrams are above the page. Mx5, miata, rx7, cx7, mpv mazda ewds;
Circuit diagrams help to quickly detect faults in the electrical system and facilitate the installation of additional equipment. Page 4 the way to view a wiring diagram this wiring diagram is made up of circuit diagrams, connector diagrams, location diagrams, and harness diagrams. Please select the exact year of your mazda 626 to view your vehicle sepecific diagram. System wiring diagrams cooling fan circuit, a/t 1990 mazda 626 for x copyright © 1998 mitchell repair information company, llc cdr@wp.pl tuesday, july 27, 2004 11:13pm system wiring diagrams starting circuit 1990 mazda 626 for x copyright © 1998 mitchell repair. Mazda 626 1990 wiring diagram.pdf. Vehicle wiring search for a mazda 626. Some mazda 626 wiring diagrams are above the page. Portable network image format 13.7 kb. The first mazda 626 appeared in 1979 in the us market. System wiring diagrams starting circuit. Wiring diagram mazda 626 1990.txt. Dtc the mazda 626 workshop manuals contains detailed information on the diagnosis, repair and adjustment of elements of the gasoline engine management system, instructions. Mazda 626 workshop, repair and owners manuals for all years and models. • mazda 626 mx 6 and ford probe 1993 2001 automotive repair manual haynes repair manual.
Copyright © 1998 mitchell repair information company, llc tuesday, july 27, 2004 11:13pm. Mazda 626 1990 wiring diagram.pdf. Portable network image format 13.7 kb. Mazda 626 1990 wiring diagrams. • mazda 626 mx 6 and ford probe 1993 2001 automotive repair manual haynes repair manual.
1990 Mazda 626 And Mx 6 Wiring Diagram Manual Original from cfd84b34cf9dfc880d71-bd309e0dbcabe608601fc9c9c352796e.ssl.cf1.rackcdn.com Copyright © 1998 mitchell repair information company, llc tuesday, july 27, 2004 11:13pm. Portable network image format 13.7 kb. Mazda 626 1990 wiring diagrams. Mx5, miata, rx7, cx7, mpv mazda ewds; Dtc the mazda 626 workshop manuals contains detailed information on the diagnosis, repair and adjustment of elements of the gasoline engine management system, instructions. It is important to select your exact vehicle year as wiring inside the vehicle could change even though the vehicle appearance is the same. System wiring diagrams cooling fan circuit, a/t 1990 mazda 626 for x copyright © 1998 mitchell repair information company, llc cdr@wp.pl tuesday, july 27, 2004 11:13pm system wiring diagrams starting circuit 1990 mazda 626 for x copyright © 1998 mitchell repair. Wiring diagrams mazda by year.
Manual de taller mazda 626 gratis, workshop manual 626 free. System wiring diagrams cooling fan circuit, a/t 1990 mazda 626 for x copyright © 1998 mitchell repair information company, llc cdr@wp.pl tuesday, july 27, 2004 11:13pm system wiring diagrams starting circuit 1990 mazda 626 for x copyright © 1998 mitchell repair. Portable network image format 13.7 kb. 1990 mazda 626 for x. It is important to select your exact vehicle year as wiring inside the vehicle could change even though the vehicle appearance is the same. Wiring diagram mazda 626 1990.txt. Dtc the mazda 626 workshop manuals contains detailed information on the diagnosis, repair and adjustment of elements of the gasoline engine management system, instructions. Mazda 626 workshop manuals contains: Vehicle wiring search for a mazda 626. Mazda 626 service and repair manuals. Copyright © 1998 mitchell repair information company, llc tuesday, july 27, 2004 11:13pm. The first mazda 626 appeared in 1979 in the us market. Page 4 the way to view a wiring diagram this wiring diagram is made up of circuit diagrams, connector diagrams, location diagrams, and harness diagrams. Please select the exact year of your mazda 626 to view your vehicle sepecific diagram.
It is important to select your exact vehicle year as wiring inside the vehicle could change even though the vehicle appearance is the same. Please select the exact year of your mazda 626 to view your vehicle sepecific diagram. S grand touring mazda 6 s sport mazda 6 s touring mazda 6 s touring plus mazda 6 sport mazda 6 touring mazda 626 mazda 626 dx mazda 626 es mazda 626 gt mazda 626 le mazda 626 lx mazda 929 mazda 929 s mazda b1990 mazda b1991 mazda. Vehicle wiring search for a mazda 626. Mazda 626 workshop, repair and owners manuals for all years and models.
Diagram Mazda 626 Headlight Wiring Diagram Full Version Hd Quality Wiring Diagram Tvdiagram Veritaperaldro It from www.justanswer.com Mazda 626 1990 wiring diagram.pdf. Manual de taller mazda 626 gratis, workshop manual 626 free. Wiring diagram mazda 626 1990.txt. 1990 mazda 626 for x. S grand touring mazda 6 s sport mazda 6 s touring mazda 6 s touring plus mazda 6 sport mazda 6 touring mazda 626 mazda 626 dx mazda 626 es mazda 626 gt mazda 626 le mazda 626 lx mazda 929 mazda 929 s mazda b1990 mazda b1991 mazda. Copyright © 1998 mitchell repair information company, llc tuesday, july 27, 2004 11:13pm. Vehicle wiring search for a mazda 626. • mazda 626 mx 6 and ford probe 1993 2001 automotive repair manual haynes repair manual.
Mazda 626 service and repair manuals. Copyright © 1998 mitchell repair information company, llc tuesday, july 27, 2004 11:13pm. Wiring diagram mazda 626 1990.txt. 1990 mazda 626 for x. Mazda 626 1990 wiring diagram.pdf. • mazda 626 mx 6 and ford probe 1993 2001 automotive repair manual haynes repair manual. Portable network image format 13.7 kb. Wiring diagrams mazda by year. S grand touring mazda 6 s sport mazda 6 s touring mazda 6 s touring plus mazda 6 sport mazda 6 touring mazda 626 mazda 626 dx mazda 626 es mazda 626 gt mazda 626 le mazda 626 lx mazda 929 mazda 929 s mazda b1990 mazda b1991 mazda. The first mazda 626 appeared in 1979 in the us market. Circuit diagrams help to quickly detect faults in the electrical system and facilitate the installation of additional equipment. Mazda 626 service and repair manuals. Mazda 626 workshop manuals contains: Please select the exact year of your mazda 626 to view your vehicle sepecific diagram.
Source: lh5.googleusercontent.com S grand touring mazda 6 s sport mazda 6 s touring mazda 6 s touring plus mazda 6 sport mazda 6 touring mazda 626 mazda 626 dx mazda 626 es mazda 626 gt mazda 626 le mazda 626 lx mazda 929 mazda 929 s mazda b1990 mazda b1991 mazda. Wiring diagram mazda 626 1990.txt. • mazda 626 mx 6 and ford probe 1993 2001 automotive repair manual haynes repair manual. Mazda 626 1990 wiring diagram.pdf. Mx5, miata, rx7, cx7, mpv mazda ewds;
Source: static-cdn.imageservice.cloud Some mazda 626 wiring diagrams are above the page. Mazda 626 1995 wiring diagram.pdf. Page 4 the way to view a wiring diagram this wiring diagram is made up of circuit diagrams, connector diagrams, location diagrams, and harness diagrams. Wiring diagrams mazda by year. Please select the exact year of your mazda 626 to view your vehicle sepecific diagram.
Source: www.autogenius.info Vehicle wiring search for a mazda 626. The first mazda 626 appeared in 1979 in the us market. 1990 mazda 626 for x. Manual de taller mazda 626 gratis, workshop manual 626 free. It is important to select your exact vehicle year as wiring inside the vehicle could change even though the vehicle appearance is the same.
Source: i.ebayimg.com Mazda 626 1990 wiring diagrams. Portable network image format 13.7 kb. System wiring diagrams cooling fan circuit, a/t 1990 mazda 626 for x copyright © 1998 mitchell repair information company, llc cdr@wp.pl tuesday, july 27, 2004 11:13pm system wiring diagrams starting circuit 1990 mazda 626 for x copyright © 1998 mitchell repair. Manual de taller mazda 626 gratis, workshop manual 626 free. The first mazda 626 appeared in 1979 in the us market.
Source: www.autozone.com Vehicle wiring search for a mazda 626. Mazda 626 1995 wiring diagram.pdf. Some mazda 626 wiring diagrams are above the page. Copyright © 1998 mitchell repair information company, llc tuesday, july 27, 2004 11:13pm. Wiring diagrams mazda by year.
Source: repairguide.autozone.com Page 4 the way to view a wiring diagram this wiring diagram is made up of circuit diagrams, connector diagrams, location diagrams, and harness diagrams. Mazda 626 1990 wiring diagram.pdf. Vehicle wiring search for a mazda 626. Mazda 626 1995 wiring diagram.pdf. Mazda 626 service and repair manuals.
Source: i.pinimg.com The first mazda 626 appeared in 1979 in the us market. • mazda 626 mx 6 and ford probe 1993 2001 automotive repair manual haynes repair manual. S grand touring mazda 6 s sport mazda 6 s touring mazda 6 s touring plus mazda 6 sport mazda 6 touring mazda 626 mazda 626 dx mazda 626 es mazda 626 gt mazda 626 le mazda 626 lx mazda 929 mazda 929 s mazda b1990 mazda b1991 mazda. Portable network image format 13.7 kb. Copyright © 1998 mitchell repair information company, llc tuesday, july 27, 2004 11:13pm.
Source: image.jimcdn.com 1990 mazda 626 for x. It is important to select your exact vehicle year as wiring inside the vehicle could change even though the vehicle appearance is the same. Mazda 626 1990 wiring diagrams. Manual de taller mazda 626 gratis, workshop manual 626 free. Vehicle wiring search for a mazda 626.
Source: cdn.mazda626.net Wiring diagram mazda 626 1990.txt. Copyright © 1998 mitchell repair information company, llc tuesday, july 27, 2004 11:13pm. Circuit diagrams help to quickly detect faults in the electrical system and facilitate the installation of additional equipment. Mazda 626 1990 wiring diagrams. Mx5, miata, rx7, cx7, mpv mazda ewds;
Source: imgv2-1-f.scribdassets.com Page 4 the way to view a wiring diagram this wiring diagram is made up of circuit diagrams, connector diagrams, location diagrams, and harness diagrams.
Source: static-cdn.imageservice.cloud It is important to select your exact vehicle year as wiring inside the vehicle could change even though the vehicle appearance is the same.
Source: ww2.justanswer.com Circuit diagrams help to quickly detect faults in the electrical system and facilitate the installation of additional equipment.
Source: cardiagn.com 1990 mazda 626 for x.
Source: i.ytimg.com Dtc the mazda 626 workshop manuals contains detailed information on the diagnosis, repair and adjustment of elements of the gasoline engine management system, instructions.
Source: www.autopaper.com Mazda 626 workshop, repair and owners manuals for all years and models.
Source: en.mazdaclub.cz S grand touring mazda 6 s sport mazda 6 s touring mazda 6 s touring plus mazda 6 sport mazda 6 touring mazda 626 mazda 626 dx mazda 626 es mazda 626 gt mazda 626 le mazda 626 lx mazda 929 mazda 929 s mazda b1990 mazda b1991 mazda.